📦 Save 15% On Shipping On Orders Over $250. Use Code: SAVE15 At Checkout 📦
Contact Us: (586) 646-4162

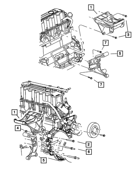
Air Conditioning Compressor Mounting for 2001 Jeep Cherokee

Vehicle

2001 Jeep Cherokee

Change Vehicle

Categories

Browse Categories